GLF-C星型方形卸灰阀
- 销售:
- 销售:
- 传真:
详情介绍
- 产品介绍
- 服务承诺
- 订货流程
星型卸灰阀又名回转给料机,分GLF-C星型方形卸灰阀和GLY-C星型圆形卸灰阀,广泛应用于建材、冶金、化工、电力等部门作为各类除尘设备的灰斗卸料装置,也可作为各种磨机、烘干机、料仓等设备的给卸料装置,适用于干燥粉状和小颗状物料,星型卸灰阀依靠物料的重力作用及给料机工作机构的强制作用,将仓内的物料卸出并连续均匀地喂入下一装置中去。
产品特点
星型卸灰阀主要由壳体、叶轮和端盖组成。采用优异钢板焊接结构,叶片耐磨性强,集传动装置、传动轴、叶片联为一体。具有工作平稳可靠,落料均匀,轻便节能的特点。由于星型卸灰阀的轴承和减速机都是向外凸出,能够避免粉尘挤进轴承和大颗粒物料卡死现象。
工作时由减速电机通过联轴带动叶轮转动,把壳体上部的物料均匀带到下部,由下一个装置把物料送走。所以,星型卸灰阀只能直立安装,而不允许水平安装,给料机的上部要保持一定的料柱。
主要技术参数
适用介质 | 工作温度 | 卸灰能力 |
干燥粉尘 | 150℃ | 4.5-160m3/h |

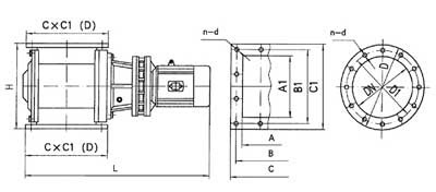
主要外形连接尺寸
A1×A | B1×B | C1×C | DN | D | D1 | H | L | n-d | 传动功率型号 | 功率KW | 卸灰能力 m3/h | 重量kg |
150×150 | 200×200 | 230×230 | 150 | 230 | 200 | 250 | 870 | 8-Φ13 | BLY-15-43 | 0.75 | 5 | 121 |
200×200 | 260×260 | 300×300 | 200 | 300 | 260 | 300 | 910 | 8-Φ17 | BLY-15-43 | 12 | 178 | |
300×200 | 360×260 | 400×300 | 300 | 910 | 8-Φ17 | BLY-15-43 | 18 | 214 | ||||
250×250 | 310×310 | 350×350 | 250 | 350 | 310 | 350 | 910 | 8-Φ17 | BLY-15-43 | 24 | 258 | |
300×300 | 360×360 | 400×400 | 300 | 400 | 360 | 450 | 1140 | 8-Φ17 | BLY-18-59 | 1.5 | 30 | 308 |
400×300 | 460×360 | 500×400 | 450 | 1140 | 10-Φ17 | BLY-18-59 | 40 | 335 | ||||
500×300 | 460×360 | 600×400 | 450 | 1140 | 12-Φ17 | BLY-18-59 | 50 | 65 | ||||
400×400 | 560×360 | 500×500 | 400 | 500 | 460 | 600 | 1220 | 12-Φ20 | BLY-22-71 | 3 | 60 | 398 |
500×400 | 460×460 | 600×500 | 600 | 1220 | 14-Φ26 | BLY-22-71 | 75 | 428 | ||||
500×500 | 570×570 | 630×630 | 500 | 630 | 570 | 760 | 1400 | 16-Φ26 | BLY-22-71 | 118 | 524 | |
700×500 | 770×570 | 830×630 | 760 | 1400 | 18-Φ26 | BLY-22-71 | 160 | 654 |
良好的品质、优良的服务 MK体育在线官网-MK体育(中国)为你创造更多价值!
“MK体育在线官网-MK体育(中国)”的期望,不断提升服务质量,精益求精,“真诚的服务”是“MK体育在线官网-MK体育(中国)”永恒的主题。“MK体育在线官网-MK体育(中国)”严格按照IS09001-2000 质量体系认证要求,质量严格把关, 责任到人,确保生产、销售、服务的健康运行。加强与用户沟通,竭诚为广大客户提供优良产品,至善至美服务。特此我厂做出以下承诺:
产品标准:
产品严格按照中国GB、HG 标准和美国API等标准设计、制造、验收。密封面硬度达到国家规定要求,宽度超过国家标准。
售前服务:
产品介绍,技术交流,非标产品设计,疑难解答。
售中服务:
守信合同,保证及时供货,随时保持与客户联系。 对特殊或复制的产品,我厂安排技术人员对用户进行产品使用、故障排除
售后服务:
1、“MK体育在线官网-MK体育(中国)”牌产品品质期为自出厂起12个月,实行“三包”服务(包退、包换、保修)。
2、产品在使用中我厂定期组织技术、质检人员进行访问,征询用户对产品质量、 使用状况、改进意见等方面的反馈, 以便进一步提高产品质量。
3、对用户投诉质量问题,快速作出反应,售后服务人员在24-36小时(省外48小时)赶赴现场。
4、对售后服务,要求用户填写服务后的质量反馈信息表,并作出鉴定意见,以便提高MK体育在线官网-MK体育(中国)的服务质量。
1、客户如对产品有特殊要求,须在订货合同中提供以下说明:
a、结构长度;
b、连接形式;
c、公称直径、全通径、缩径、管道尺寸;
d、运行介质及温度、压力范围;
e、试验、检验标准及其他要求
2、本厂可根据客户特定要求配置各类驱动装置。
3、如由客户提供确定的阀门类型和型号时,客户应正确说明其型号的含义和要求,在供需双方理解一致的条件下签订合同。
4、期货、订货的客户请先来电函详细告诉所需的阀门型号、规格、数量以及交货时间、地点,并按总的30%预定金或全额货款及时汇入我厂帐户,其余货款待发货前汇入,以便及时安排发货。
订单流程:
1、客户采购清单传真至,或来电咨询
2、收到客户采购清单,为客户提供阀门型号选型与报价(价格清单)。
3、具体商定:交货期、特殊要求等事宜。
订货须知:
1、客户如对产品有特殊要求,须在订货合同中提供以下说明:
|
|||||
|
|||||
2、本厂可根据客户特定要求配置各类驱动装置。
|
|||||
3、如由客户提供确定的阀门类型和型号时,客户应正确说明其型号的含义和要求,在供需双方理解一致的条件下签订合同。
|
|||||
4、期货、订货的客户请先来电函详细告诉所需的阀门型号、规格、数量以及交货时间、地点,并按总的30%预定金或全额货款及时汇入我厂账户, 其余货款待发货前汇入,以便及时安排发货。
|
售中服务:
守信合同,保证及时供货,随时保持与客户联系。
对特殊或复制的产品,我厂安排技术人员对用户进行产品使用、故障排除
售后服务:
1、“MK体育在线官网-MK体育(中国)”产品品质期为自出厂起12个月,实行“三包”服务(包退、包换、保修)。
2、产品在使用中我厂定期组织技术、质检人员进行访问,征询用户对产品质量、使用状况、改进意见等方面的反馈,
以便进一步提高产品质量。
3、对用户投诉质量问题,快速作出反应,售后服务人员在24-36小时(省外48小时)赶赴现场。
4、对售后服务,要求用户填写服务后的质量反馈信息表,并作出鉴定意见,以便提高“MK体育在线官网-MK体育(中国)”的服务质量。
声明 |
|